不銹鋼帶座外球面球軸承具有自動調心,多次重復潤滑,耐腐蝕,防塵密封良好,安裝拆卸方便等優點,被廣泛用于各種機械設備,尤其適用于食品機械、紡織印染機械、冶金化工機械及各種傳送裝置等。

Bearing No.
|
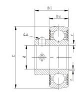
MK Main Dimensions
|
(KN)
|
(g)
|
d
|
D
|
L
|
Bi
|
Be
|
r
|
n
|
k
|
ds
|
W
|
G
|
Cr
|
Cor
|
MK000
|
10
|
26
|
17.5
|
11
|
8
|
0.5
|
4
|
5
|
M4×0.5
|
14.00
|
3
|
4.6
|
2
|
23
|
MK001
|
12
|
28
|
17.5
|
11
|
8
|
0.5
|
4
|
5
|
M4×0.5
|
16.60
|
3
|
5.1
|
2.4
|
30
|
MK002
|
15
|
32
|
18.5
|
12
|
9
|
0.5
|
4.5
|
5.5
|
M4×0.5
|
20.00
|
3.5
|
5.6
|
2.8
|
45
|
MK003
|
17
|
35
|
20.5
|
13.5
|
10
|
0.5
|
5
|
6
|
M4×0.5
|
22.90
|
3.5
|
6
|
3.3
|
50
|
MK004
|
20
|
42
|
24.5
|
16.5
|
12
|
1
|
6
|
7
|
M5×0.5
|
26.90
|
4
|
9.35
|
5.1
|
84
|
MK005
|
25
|
47
|
25.5
|
17.5
|
12
|
1
|
6
|
7
|
M5×0.5
|
31.90
|
4.5
|
10.1
|
5.8
|
100
|
MK006
|
30
|
55
|
26.5
|
18.5
|
13
|
1.5
|
6.5
|
7.5
|
M5×0.5
|
38.90
|
5
|
13.2
|
8.3
|
142
|
外球面球軸承MK型是外球面球軸承中的一種常用型號,它是屬于深溝球軸承的一種變型,其產品本身具有很多優異的特點。以比較明顯的來說,軸承是可以進行調心的,而且裝卸起來都非常簡單,并且還可以以各種形狀適合多種結構位置使用。
還有比較隱秘的是,外球面球軸承MK型具有雙層密封,從而使得軸承具有強大的防塵能力,并且在一定程度上延長了裝置的使用壽命。但是由于這種軸承大都應用在比較粗糙的機械中,安裝定位不夠,加上軸承本身精度也不夠高,因此相比對更為精密的軸承來說性能方面會有所欠缺。
外球面球軸承MK型可以用來承受以徑向負荷為主的徑向與軸向聯合負荷,因此要按裝備內圈和外圈才能發揮其作用。軸承在安裝和運轉的時候也有一些注意事項,但這都是為了提高裝置的性能,保證更好的使用效果。
|