|
 |
|
江蘇春豐軸承有限公司 |
地址:江蘇省無錫市惠山區陽山鎮東方路48號
|
電話:+86-510-83956288 |
傳真:+86-510-83956388 |
網址:http://www.w2gw.cn |
郵箱:export@chf-bearing.com |
|
 |
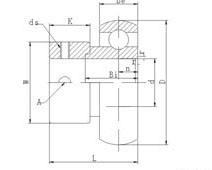
外球面球軸承MU+ER型 | 不銹鋼帶座外球面球軸承具有自動調心,多次重復潤滑,耐腐蝕,防塵密封良好,安裝拆卸方便等優點,被廣泛用于各種機械設備,尤其適用于食品機械、紡織印染機械、冶金化工機械及各種傳送裝置等。

軸承型號
|
MU+ER主要尺寸
|
額定載荷
|
重量
|
d
|
D
|
L
|
Bi
|
Be
|
r
|
n
|
k
|
ds
|
W
|
G
|
Cr
|
Cor
|
MU000+ER
|
10
|
26
|
17.5
|
11
|
8
|
0.5
|
4
|
8.5
|
M4×0.5
|
17
|
3.5
|
3.9
|
1.55
|
30
|
MU001+ER
|
12
|
28
|
17.5
|
11
|
8
|
0.5
|
4
|
8.5
|
M4×0.5
|
19
|
3.5
|
4.3
|
1.9
|
36
|
MU002+ER
|
15
|
32
|
18.5
|
12
|
9
|
0.5
|
4.5
|
8.5
|
M4×0.5
|
22
|
3.5
|
4.75
|
2.25
|
50
|
MU003+ER
|
17
|
35
|
20.5
|
13.5
|
10
|
0.5
|
5
|
9.5
|
M4×0.5
|
25
|
3.5
|
5.1
|
2.65
|
62
|
MU004+ER
|
20
|
42
|
24.5
|
16.5
|
12
|
1
|
6
|
11
|
M5×0.5
|
30
|
5
|
7.9
|
4
|
104
|
MU005+ER
|
25
|
47
|
25.5
|
17.5
|
12
|
1
|
6
|
12
|
M5×0.5
|
36
|
5
|
8.6
|
4.65
|
133
|
MU006+ER
|
30
|
55
|
26.5
|
18.5
|
13
|
1.5
|
6.5
|
12
|
M5×0.5
|
42
|
5
|
11.3
|
6.6
|
166
|
| >>order | 上一頁:外球面球軸承MK型 下一頁:SS1600 型號 |  |
|