Advantages the stainless LNSERTED ball bearings with self-aligning, repeated lubrication, corrosion-resistant, dust-proof seal good, easy installation and removal, is widely used in all kinds of machinery and equipment, especially in the food machinery, textile machinery,metallurgical and chemical machinery and conveyor.

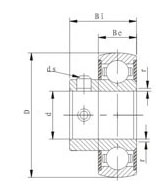
Bearing No.
|
MK Main Dimensions
|
(KN)
|
(g)
|
d
|
D
|
L
|
Bi
|
Be
|
r
|
n
|
k
|
ds
|
W
|
G
|
Cr
|
Cor
|
MK000
|
10
|
26
|
17.5
|
11
|
8
|
0.5
|
4
|
5
|
M4×0.5
|
14.00
|
3
|
4.6
|
2
|
23
|
MK001
|
12
|
28
|
17.5
|
11
|
8
|
0.5
|
4
|
5
|
M4×0.5
|
16.60
|
3
|
5.1
|
2.4
|
30
|
MK002
|
15
|
32
|
18.5
|
12
|
9
|
0.5
|
4.5
|
5.5
|
M4×0.5
|
20.00
|
3.5
|
5.6
|
2.8
|
45
|
MK003
|
17
|
35
|
20.5
|
13.5
|
10
|
0.5
|
5
|
6
|
M4×0.5
|
22.90
|
3.5
|
6
|
3.3
|
50
|
MK004
|
20
|
42
|
24.5
|
16.5
|
12
|
1
|
6
|
7
|
M5×0.5
|
26.90
|
4
|
9.35
|
5.1
|
84
|
MK005
|
25
|
47
|
25.5
|
17.5
|
12
|
1
|
6
|
7
|
M5×0.5
|
31.90
|
4.5
|
10.1
|
5.8
|
100
|
MK006
|
30
|
55
|
26.5
|
18.5
|
13
|
1.5
|
6.5
|
7.5
|
M5×0.5
|
38.90
|
5
|
13.2
|
8.3
|
142
|
|